Q41H手動金屬硬密封球閥
Q41H金屬硬密封球閥系列產品的球體和閥座采用金屬對金屬密封,閥座采用板彈簧加載的密封結構,突破了軟密封球閥使用溫度較低和不適用帶顆粒型介質的限制。
產品概述
Q41H金屬硬密封球閥系列產品的球體和閥座采用金屬對金屬密封,閥座采用板彈簧加載的密封結構,突破了軟密封球閥使用溫度較低和不適用帶顆粒型介質的限制。硬密封球閥使用于高溫高壓的水、蒸汽、油品、粘稠性和顆粒型介質的裝置和管路中。
產品特點
1、閥座采用板彈簧加載的密封結構,能使用較高溫度和帶有顆粒性的介質;
2、采用下裝式閥桿、設有倒密封結構,能確保填料處的可靠密封;
3、球可設計成防靜電結構,在球體與閥桿、閥桿與閥體之間設置導電彈簧,避免靜電打火點燃易燃物質,確保系統安全;
4、球體和密封面采用氮化、堆焊、噴涂等方式進行處理后,可適用不同的工藝要求;
5、球閥閥座處可設置輔助密封結構,在閥座和閥桿部位加裝注脂閥,緊急情況下可暫時密封,并可根據需要加長閥桿以適宜埋地鋪設得場所;
6、可加裝氣動執行器和電動執行器,實現集中控制和遠程控制。
7、先進的閥座:聚多年球閥制造經驗而設計的閥座,確保閥門密封,磨擦系數低,操作力矩小、多種閥座材料、適應范圍廣。
8、開關無誤的手柄:采用扁頭閥桿,與手柄的連接不會錯位,從而保證手柄指示的開關狀態與閥一致辭。
9、鎖緊裝置:為防止閥門開關誤操作,在閥門全開、全關位置有鎖定孔,確保閥門處于正確的位置。
10、閥桿防飛結構:閥桿為下裝式,防止受壓飛出,同時可在火災后,與閥體形成金屬接觸,確保閥桿密封。
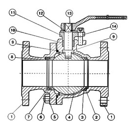
零件材料

| 序號 | 材料 標準 零件名稱 | 材料牌號 | |||
| 碳鋼 | 不銹鋼 | ||||
| GB | ASTM | GB | ASTM | ||
| 01 | 閥體 | WCB | A216-WCB | ZG1Cr18Ni9Ti ZG1Cr18Ni12Mo2Ti | CF8/CF8M/ CF3/CF3M |
| 02 | 閥蓋 | WCB | A216-WCB | ZG1Cr18Ni9Ti ZG1Cr18Ni12Mo2Ti | CF8/CF8M/ CF3/CF3M |
| 03 | 雙頭螺柱 | 35CrMoA | A193-B7 | 1Cr17Ni2 | A193-B8M |
| 04 | 螺母 | 45 | A194-2H | 0Cr18Ni | A194-8M |
| 05 | 墊圈 | 金屬夾石墨 | |||
| 06 | 球體 | 2Cr13滲氮 | A276-410滲氮 | 1Cr18Ni9Ti 1Cr18Ni12Mo2Ti滲氮 | F304/F316 /F304L/F316L 滲氮 |
| 07 | 閥座 | 2Cr13滲氮 | A276-410滲氮 | 1Cr18Ni9Ti 1Cr18Ni12Mo2Ti滲氮 | F304/F316 /F304L/F316L 滲氮 |
| 08 | 閥座支承圈 | 2Cr13 | A276-410 | 1Cr18Ni9Ti 1Cr18Ni12Mo2Ti | F304/F316 /F304L/F316L |
| 09 | 閥座彈簧 | 17-7PH | 17-7PH | 17-7PH | 17-7PH |
| 10 | 閥座密封圈 | 石墨 | |||
| 11 | 閥桿 | 2Cr13 | A276-410 | 1Cr18Ni9Ti 1Cr18Ni12Mo2Ti | F304/F316 /F304L/F316L |
| 12 | 止推軸承 | 金屬夾PTFE | |||
| 1, 3 | 閥桿填料 | 石墨 | |||
| 14 | 填料壓環 | 2Cr13 | A276-410 | 1Cr18Ni9Ti 1Cr18Ni12Mo2Ti | F304/F316 /F304L/F316L |
| 15 | 填料壓蓋 | WCB | A216-WCB | ZG1Cr18Ni9Ti ZG1Cr18Ni12Mo2Ti | CF8/CF8M/ CF3/CF3M |
| 16 | 螺釘 | 35CrMoA | A193-B7 | 1Cr17Ni2 | A193-B8M |
| 17 | 定位板 | 2Cr13 | A276-410 | 1Cr18Ni9Ti | 304 |
連接尺寸及重量
| 公稱通徑DN | 15 | 20 | 25 | 32 | 40 | 50 | 65 | 80 | 100 | 125 | 150 | 200 |
| L | 130 | 140 | 150 | 165 | 180 | 200 | 220 | 250 | 280 | 320 | 360 | 400 |
| H | 59 | 63 | 75 | 105 | 95 | 107 | 142 | 152 | 178 | 252 | 272 | 342 |
| W | 130 | 130 | 160 | 180 | 230 | 230 | 400 | 400 | 650 | 1050 | 1050 | 1410 |
| Wt(㎏) | 2.5 | 3 | 5 | 6 | 7 | 10 | 15 | 19 | 33 | 58 | 93 | 160 |
| 公稱通徑DN | 15 | 20 | 25 | 32 | 40 | 50 | 65 | 80 | 100 | 125 | 150 | 200 |
| L | 130 | 140 | 150 | 165 | 180 | 200 | 220 | 250 | 280 | 320 | 360 | 400 |
| H | 59 | 63 | 75 | 105 | 95 | 107 | 142 | 152 | 178 | 252 | 272 | 342 |
| W | 130 | 130 | 160 | 180 | 230 | 230 | 400 | 400 | 650 | 1050 | 1050 | 1410 |
| Wt(㎏) | 2.5 | 3 | 5 | 6.5 | 9 | 12 | 20 | 25 | 44 | 75 | 105 | 200 |
|
||||||||||||||||||||||||
![]() |
||||||||||||||||||||||||
| ||||||||||||||||||||||||










