LT942X型活塞式流量調節閥
LT942X型活塞式流量調節閥是本公司技術人員在借鑒德國、日本先進經驗,總結國內設計制造及實用經驗的基礎上,根據流體力學特性而開發出來的調速調壓型閥門。LT942X型活塞式流量調節閥已經在電站、引水、供水等領域得到了廣泛的應用。經過改進的本系列流量調節閥不但適用于清水,對于天然江河湖泊水、輕度污水具有良好的耐受能力。從設計結構和材料選用上解決了多年來流量調節閥易結垢,卡阻,驅動裝置偏大的難題。
活塞式流量調節閥產品概述
LT942X型活塞式流量調節閥是本公司技術人員在借鑒德國、日本先進經驗,總結國內設計制造及實用經驗的基礎上,根據流體力學特性而開發出來的調速調壓型閥門。LT942X型活塞式流量調節閥已經在電站、引水、供水等領域得到了廣泛的應用。經過改進的本系列流量調節閥不但適用于清水,對于天然江河湖泊水、輕度污水具有良好的耐受能力。從設計結構和材料選用上解決了多年來流量調節閥易結垢,卡阻,驅動裝置偏大的難題。
活塞式流量調節閥適用范圍
當前水力控制閥主要用在水廠、電廠、引水工程等介質為水的管網系統,起調節管道介質流量、流態以及調節管網壓力的作用。
活塞式流量調節閥產品特點
該閥最優于傳統流量調節閥的特點就在于它的結構設計和材料選用使其不怕污水堵塞滑道,不怕結垢現象,不易卡阻。驅動裝置明顯減小。
該閥可自動調節預先設定的管道介質參數值,使之在一定精度內保持恒定,且精度范圍也可以進行調整。
該閥具有良好的耐氣蝕特性,閥體內壁的筋板兼有整流板的作用,可以分散水流,防止氣蝕。同時,也減小了閥門的噪音和活塞的振動。
該閥的控制系統可采用集成電子電路,體積小,可靠性好,靈敏度高,安裝調試方便。
全關滲漏量為零,可作為截止閥使用。不必另設其他截止閥門。
如控制程度及精度要求不是很高,該閥的控制可以采用手動或普通電動形式。
可以臥式安裝,也可以立式安裝。
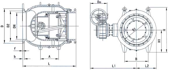
活塞式流量調節閥結構示意圖

主要零部件材料
材料 | 零件名稱 |
HT200、HT250、QT450-10 | 閥體、端蓋、連桿架、法蘭管、曲柄 |
2Cr13、1Cr18Ni9Ti | 閥桿、銷軸、活塞 |
1Cr18Ni9Ti | 閥體密封圈 |
NBR | 活塞密封圈 |
QT450-10 | 連桿 |
ZCuA10Fe3、ZCuzN38Mn2Pb2 | 軸承 |
NBR | 填料 |
主要連接外型尺寸
PN | DN | L | L1 | L2 | H | H1 | D0 | A | B |
400 | 800 | 715 | 308 | 980 | 335 | 250 | 345 | 390 | |
450 | 900 | 749 | 347 | 1100 | 400 | 250 | 410 | 440 | |
500 | 1000 | 792 | 383 | 1180 | 450 | 300 | 460 | 500 | |
600 | 1200 | 847 | 458 | 1250 | 500 | 300 | 510 | 600 | |
700 | 1400 | 920 | 528 | 1390 | 600 | 300 | 580 | 700 | |
800 | 1600 | 980 | 599 | 1530 | 700 | 360 | 680 | 800 | |
900 NG-LEFT: 1px; BORDER-LEFT: #f0f0f0; PADDING-RIGHT: 1px" valign="middle" width="76">1800 | 1030 | 674 | 1650 | 800 | 360 | 780 | 900 | ||
1000 | 2000 | 1105 | 744 | 1800 | 900 | 400 | 860 | 1000 | |
1200 | 2400 | 1375 | 852 | 2010 | 1000 | 400 | 950 | 1130 | |
1400 | 2800 | 1380 | 1031 | 2230 | 1250 | 400 | 1250 | 1380 | |
1600 | 3200 | 1490 | 1183 | 2480 | 1450 | 400 | 1500 | 1600 | |
1800 | 3600 | 1780 | 1325 | 2720 | 1650 | 400 | 1750 | 1750 | |
2000 | 4000 | 1910 | 1476 | 2930 | 1850 | 400 | 2000 | 1950 |
服務承諾
(1) 嚴格按照合同要求,提供符合設計標準,質量合格的產品。
(2) 嚴格檢查和控制原材料、原器件、配套件的進廠質量。
(3) 保證所供設備加工工藝完善、檢測手段完備。產品絕不帶缺陷出廠。
(4) 對涉及分包商的供貨、質量、設備性能、技術接口、服務等方面問題全部責任。按合同規定的關鍵部件必須符合有關資質的要求,并經需方認可。
(5) 按合同規定向監造單位提供有關部門標準和圖紙,并為監造提供方便并對監造設備的停工待檢部位提前7天通知需方及監造代表,需方所派監造是督促我方按標準生產合格產品,但并不減我方的一切質量責任。
(6) 對設備制造過程中出現的質量缺陷及時向需方和監造代表通報、不隱瞞。若設備缺陷超過合同規定的標準,供方無條件更換。在安裝和試運行過程中,設備出現質量問題,先處理問題,再分清責任,一切以滿足工程進度需要為準則。
(7) 為所供的設備在制造、運輸、裝卸過程中投保,-旦發生意外,我方將按需要對所供設備盡快進行免費更換、修理,直到需方滿意為止。
(8) 在開箱過程中如發現缺件及其他原因引起的零部件丟失,我方負責盡快免費補齊所缺零部件。在設備的安裝、調試過程中以及今后在設備運行中發現的質量問題,如屬我方原因,我方承擔責任。
(9) 按時向需方提供按合同規定的全部技術資料和圖紙。有義務在必要時邀請需方參與我方的技術設計審核。
(10) 按需方要求的時間到現場進行技術服務,指導需方按我方的技術資料和圖紙的要求進行安裝、試運行及試生產。
(11) 對于需方先購的與合同設備有關的配套設備,我方主動提供滿足設備接口要求的技術條件和資料。
(12) 嚴格執行供需雙方就有關問題召開會議的紀要或協議。
(13) 按合同規定免費為需方舉辦有關設備安裝、調試、使用、維護技術的業務培訓班。
(14) 加強售前、售中、售后服務,把"24小時服務"、"超前服務"、"全過程服務"、 "終身服務"貫徹在產品制造、安裝、調試、大修的全過程。
(15) 接到需方反映的質量問題信息后,在24小時之內作出答復或派出服務人員,盡快到達現場,做到用戶對質量不滿意,服務不停止。
(16) 免費為產品提供終身維護,凡我廠用戶,均建立了詳盡的用戶檔案,我廠售后服務。人員實行定期回訪,巡視制度,指導用戶的日常維護,及時指出并解決可能出現的故障。
(17) 隨時滿足需方對備品備件的要求,終身為用戶提供質優價廉的零配件。
相關新聞
|
||||||||||||||||||||||||
![]() |
||||||||||||||||||||||||
| ||||||||||||||||||||||||









