ZAJQ電動切斷二通球閥
ZAJQ電動切斷二通球閥是一種旋轉型切斷球閥,為氣動或電動單元組合儀表中的執行單元,一般與電磁閥等元件組合使用。密封形式有軟密封與硬密封兩種,分別在-40℃~180℃ 與-60℃~450℃工況下使用。
產品概述
ZAJQ電動切斷二通球閥是一種旋轉型切斷球閥,為氣動或電動單元組合儀表中的執行單元,一般與電磁閥等元件組合使用。密封形式有軟密封與硬密封兩種,分別在-40℃~180℃ 與-60℃~450℃工況下使用。"O"型切斷球閥采用活塞式氣動執行機構或者電動執行 機構,"O"型切斷球閥的球形表面采用特殊工藝進行硬化處理,使其表面平滑耐磨,閥座及密封材料采用耐高溫、耐磨損的碳纖維材料制成,產品結構精巧合理。該系列產品轉動效率高、推力大、密封性好,額定流量 系數大、零件互換性好等特點。本系列產品被廣泛應用于石 油、化工、制藥、冶金、輕紡、造紙、污水處理等生產部門 的氣體、液體輸送管道中介質的切斷或開啟,滿足工況要求。
技術參數
| 本體部分 | |
|---|---|
| 閥體形式 | 直通鑄造閥 |
| 閥體材質 | ZG230-450 ZG1Cr18Ni9Ti |
| 公稱通徑 | DN15-DN300 |
| 公稱壓力 | PN1.6 2.5 4.0 6.4MPa ANSI 150 300LB JIS 10K 20K 30K |
| 連接形式 | 法蘭 FF RF RTJ 等 |
| 結構長度 | 符合IEC534 |
| 閥蓋形式 | 一體式 |
| 填料 | 聚四氟乙烯 柔性石墨等 |
| 密封墊 | 金屬夾石墨密封墊 四氟乙烯墊等 |
| 閥內部件 | |
| 閥芯型式 | 球型 |
| 流量特性 | 線性 |
| 內件材質 | 標準材質組合及使用溫度、壓力請參閱附表 |
| 執行機構 | |
| 電動 | 角行程電動執行結構 |
零件材料及內部結構

| 本體材質為碳鋼 | ||||
| 1 | 閥體 | WCB | LCB | WC9 |
| 2 | 密封圈 | PTFE/PPL | ||
| 3 | 墊片 | PTFE/金屬石墨纏繞墊片 | ||
| 4 | 球 | 根據實際工況而定 | ||
| 5 | 填料 | PTFE/石墨 | ||
| 6 | 閥桿 | 2Cr13 | 2Cr13 | 2Cr13 |
| 7 | 填料壓蓋 | WCB | LCB | WC9 |
| 本體材質為不銹鋼 | ||||
| 1 | 閥體 | CF8 | CF8M | CF3M |
| 2 | 密封圈 | PTFE/PPL | ||
| 3 | 墊片 | PTFE/金屬石墨纏繞墊片 | ||
| 4 | 球 | 根據實際工況而定 | ||
| 5 | 填料 | PTFE/石墨 | ||
| 6 | 閥桿 | 304 | 316 | 316L |
| 7 | 填料壓蓋 | CF8 | CF8M | CF3M |
注:以上為標準配置結構,標準的閥體材料是碳鋼和不銹鋼,也可根據用戶需求進行配置。
規格與技術參數
| 公稱通徑 DN(mm) | 15 | 20 | 25 | 32 | 40 | 50 | 65 | 80 | 100 | 125 | 150 | 200 | 300 |
| 額定流量系數 KV | 20 | 38 | 72 | 110 | 170 | 270 | 380 | 510 | 940 | 1400 | 2200 | 3500 | 8500 |
| 公稱壓力 | 1.6、4.0、 6.4 | ||||||||||||
| 閥芯轉角(°) | 0°±4°~90°±4° | ||||||||||||
| 適用工作溫度 | 軟密封-40~180 硬密封-60~450 | ||||||||||||
| 允許壓差(MPa) | 等于公稱壓力 | ||||||||||||
| 允許泄露量等級 | 軟密封Ⅵ級 硬密封Ⅳ級 | ||||||||||||
| 防護等級 | 相當于 IP65.5 級防塵防水型 | ||||||||||||
| 電動執行器額 定電流(A) | 0.25~0.85 | ||||||||||||
| 電動執行器輸 出力矩(Kgf.m) | 2~60 | ||||||||||||
| 電動執行器使 用環境(℃) | -30℃~60℃ | ||||||||||||
| 電動執行器輸 入信號 | 4~20mADC 或 1~5VDC 220VDC | ||||||||||||
相關參數
| 機 型 性能 | DCL-02 | DCL-05 | DCL-10 | DCL-20 | DCL-40 | DCL-60 |
| 輸出力矩 | 2Kgf.m | 5Kgf.m | 10Kgf.m | 20Kgf.m | 40Kgf.m | 60Kgf.m |
| 動作時間 | 4S | 15S | 15S/30S/60S | 15S/30S/60S | 30S/60S | 45S |
| 回轉角度 | 0~360℃ | 0~360℃ | 0~360℃ | 0~90℃ | 0~90℃ | 0~90℃ |
| 電機功率 | 15W | 15W | 25W | 40W | 90W | 100W |
| 額定電流 | 0.25A | 0.25A | 0.35A | 0.37A | 0.69A | 0.85A |
| 整機重量 | 2.5Kg | 2.5Kg | 3.0Kg | 8.0Kg | 8.5Kg | 9.0Kg |
| 電 源 | AC 220V±10% 50HZ/60HZ | |||||
| 絕緣電阻 | 100M/500VDC | |||||
| 防護等級 | 1500VAC 1 分鐘 | |||||
| 耐壓等級 | 相當于 IP68 | |||||
| 安裝方位 | 360°任意角度安裝 | |||||
| 電氣接口 | G1/2 防水電纜接頭,電源線、信號線個一個 | |||||
| 環境溫度 | -30℃~+60℃ | |||||
| 控制電路選項 | A 型:極限位置開關(標準型) B 型:帶中間位置開關 C 型:點電位器 D 型:帶電位器和中間位置開關 E 型:帶控制模塊(調節型) F 型:帶 R/I 變換 | |||||
| 任選功能 | ●過力矩保護器 ●除溫加熱器 ●不銹鋼支架、聯軸器 | |||||
特殊要求
1、特殊檢驗;
2、完全去油、去水處理;
3、禁銅處理;
4、特殊接口,配管;
5、真空條件下使用;
6、指定圖層顏料;
7、特殊介質(氧氣、氫氣、氯氣);
8、使用不銹鋼連接件;
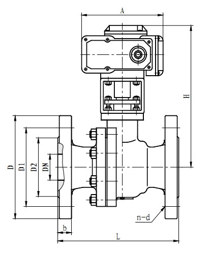
外形尺寸
| 公稱通徑 DN(mm) | L | D(φ) | D1φ) | D2φ) | b | H | n-(φ)d | A |
| 15 | 130 | 95 | 65 | 46 | 14 | 275 | 4-φ14 | 157 |
| 20 | 140 | 105 | 75 | 56 | 16 | 280 | 4-φ14 | 157 |
| 25 | 150 | 115 | 85 | 65 | 16 | 287 | 4-φ14 | 157 |
| 32 | 164 | 140 | 100 | 76 | 18 | 384 | 4-φ18 | 208 |
| 40 | 180 | 150 | 110 | 84 | 18 | 312 | 4-φ18 | 208 |
| 50 | 200 | 165 | 125 | 99 | 20 | 325 | 4-φ18 | 208 |
| 65 | 220 | 185 | 145 | 118 | 20 | 335 | 4-φ18 | 256 |
| 80 | 250 | 200 | 160 | 132 | 20 | 365 | 8-φ18 | 256 |
| 100 | 280 | 220 | 180 | 156 | 22 | 400 | 8-φ18 | 256 |
| 125 | 320 | 250 | 210 | 184 | 22 | 420 | 8-φ18 | 256 |
| 150 | 360 | 285 | 240 | 211 | 24 | 440 | 8-φ22 | 256 |
| 200 | 400 | 340 | 295 | 266 | 24 | 470 | 12-φ22 | 256 |
| 250 | 630 | 405 | 355 | 319 | 26 | 545 | 12-φ26 | 380 |
| 300 | 750 | 460 | 410 | 370 | 28 | 580 | 12-φ26 | 380 |
注:表中所有數據均以 PN16 為依據。
外形結構尺寸圖

|
||||||||||||||||||||||||
![]() |
||||||||||||||||||||||||
| ||||||||||||||||||||||||










